Hướng dẫn đấu nối Hub nháy nhạc - Hub nháy nhạc đồng bộ vào card Q1 (P1)
Trong bài viết này, Luxer Việt Nam xin giới thiệu cho các bạn các loại Hub nháy nhạc Luxer hiện có và cách đấu nối sử dụng.
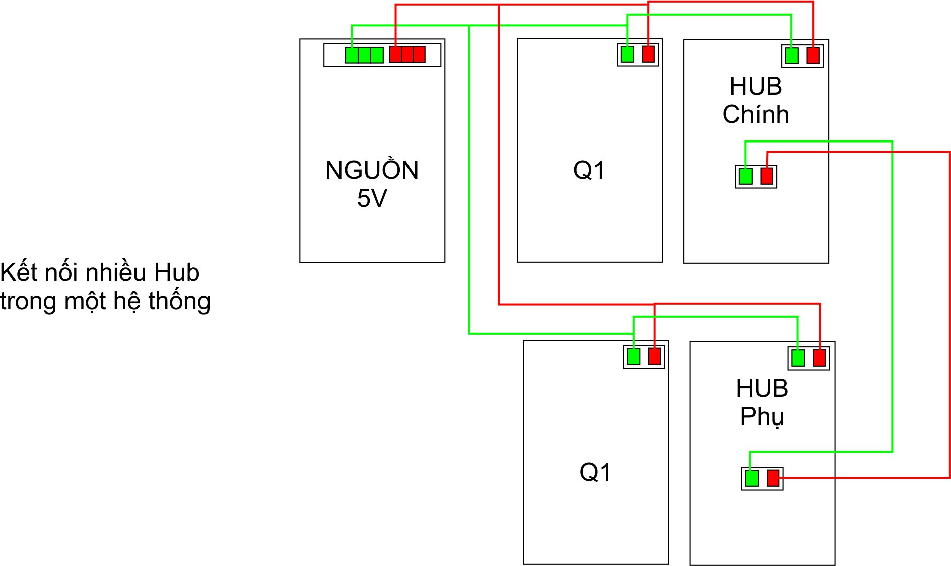
Nếu trong một phòng hát bạn chỉ sử dụng 1 card Q1 thì khi sử dụng hub nháy nhạc, chỉ cần gắn hub chủ vào Q1 rồi rút jump tùy chọn hoặc gạt công tắc chế độ ra là hub có thể hoạt động.
HUB CHỦ:


Trong trường hợp phòng hát có nhiều card Q1 + Hub nháy nhạc. Bạn cần có một card Q1 gắn Hub chủ và các card Q1 còn lại gắn Hub phụ. Giữa các Hub được kết nối với nhau bằng cặp dây đồng bộ qua cổng đồng bộ trên Hub.
HUB PHỤ:

CÁCH ĐẤU NỐI CÁC HUB NHÁY NHẠC TRONG CÙNG MỘT PHÒNG HÁT

Chú ý:
- Khi cắm Hub vào card Q1, các bạn chú ý cắm chặt tay, sao cho các chân cắm trên các cổng Hub khớp sát vào các cổng trên Q1 để đảm bảo tín hiệu.
- Dây đồng bộ phải được đấu nối đúng cặp.
Mọi vấn đề về kĩ thuật xin vui lòng liên hệ
HOTLINE KĨ THUẬT: 0919.468.345 / 0919.586.345

Mình muốn mua Led moving và P10. Bên cty có hỗ trợ setup cho mình được không. xin cảm ơn. LH: 0932019132